Compact High Grip Vice  : N-109


LOADING IMAGES


Compact High Grip Vice

Product ID: N-109





  Description

Key-Features

  • Compact Hi-Grip Machine Vice Designed for Precision Milling, Grinding & Widely Used
    With CNC Machining Center.
  • Space saving design can be installed in multiple on standared machine table.
  • large opening in very compact vice body.
  • High-Grade FCO 60 Ductile iron Body, Grounded Top & Bottom.
  • Bed Hight Matched with Multiple Vice Orders.
  • High Alloyed Quality Resistance Steel, Case Hardened HRC 60± 2 is used in
    Clamping Jaws to give High Performance & No Wear.
  • Accuracy in Parallelism & Squarness Within 0.02/1 OOmm.
  • Interchangeable Jaws Plates.
  • Tenon & Tenon Slots Provided for Effortless Truing of Vice on Machine Table.
  • High Clamping Force can Achieve by Effortless handle movement Wich eliminates Hammering on vice handle.
  • Maximum Clamping Force 4000 kg.


STANDARD ACCESSARIES
4 Side Clamps.
1 BOX Wrench.
2 Positioning Key Nuts, 1 work stopper


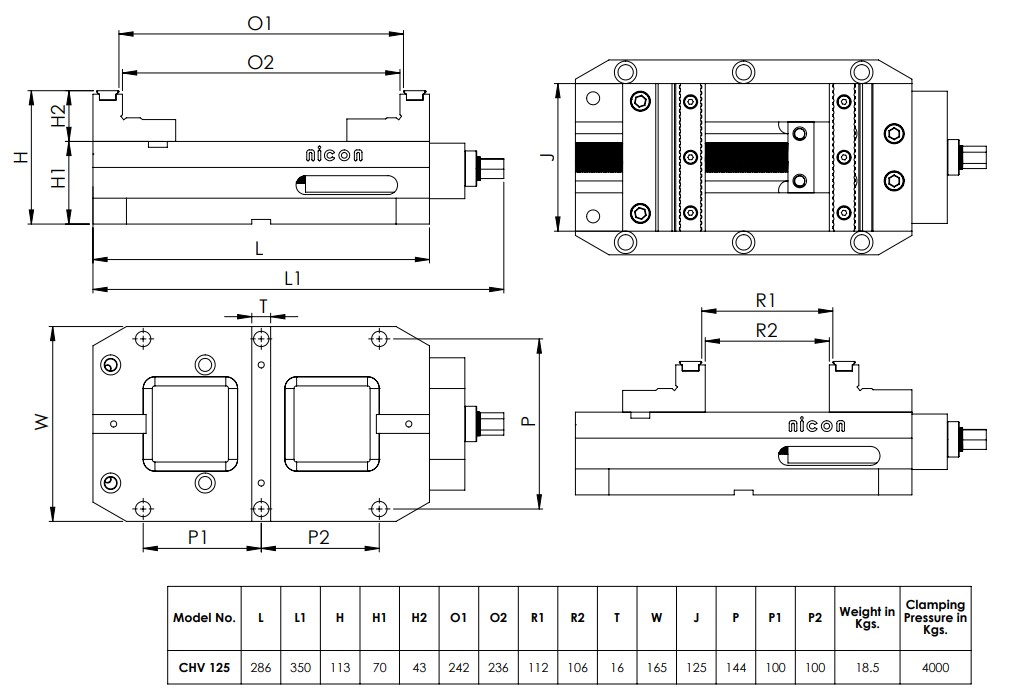
  Specification by Drawings






Y.H. TOOLS MANUFACTURERS PVT. LTD.

7A, GADAIPUR BULANDPUR ROAD GADAIPUR,
JALANDHAR CITY - 144012.
PUNJAB INDIA

CONTACT PERTICULARS

  0091-181-2601510
  0091-98155-24499, 98785-99020
  info@niconvises.com


AN ISO 9001:2015 COMPANY
©2018 Y.H. TOOLS MANUFACTURERS PVT. LTD. All rights reserved.