0
  COMPACT SELF CENTRING HI GRIP MACHINE VICE  : N-110


LOADING IMAGES


COMPACT SELF CENTRING HI GRIP MACHINE VICE

Product ID:





  Description

Key-Features

Self Centring Compact Hi-Grip Machine Vice Designed for Precision Milling, Grinding & Widely Used With CNC Machining Center.

Space saving design can be installed in multiple on standared machine table.

large opening in very compact vice body.

This vice can hold two work pieces with optional intermediate jaw.

High-Grade FCO 60 Ductile iron Body, Grounded Top & Bottom.

Bed Hight Matched with Multiple Vice Orders.

High Alloyed Quality Resistance Steel, Case Hardened HRC 60± 2 is used in
Clamping Jaws to give High Performance & No Wear.

Accuracy in Parallelism & Squarness Within 0.02/1 OOmm.

Interchangeable Jaws Plates.

Tenon & Tenon Slots Provided for Effortless Truing of Vice on Machine Table.

High Clamping Force can Achieve by Effortless handle movement Wich eliminates Hammering on vice handle.

Maximum Clamping Force 3000 kg.


STANDARD ACCESSORIES

1 BOX Wrench.
2 Positioning Key Nuts, 1 work stopper



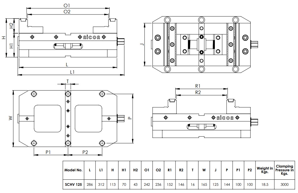
  Specification by Drawings






Y.H. TOOLS MANUFACTURERS PVT. LTD.

7A, GADAIPUR BULANDPUR ROAD GADAIPUR,
JALANDHAR CITY - 144012.
PUNJAB INDIA

CONTACT PERTICULARS

  0091-181-2601510
  0091-98155-24499, 98785-99020
  info@niconvises.com


AN ISO 9001:2015 COMPANY
©2018 Y.H. TOOLS MANUFACTURERS PVT. LTD. All rights reserved.